Австралийские военные инвестируют в чипы с живыми человеческими мозгами

Изображение, сгенерированное нейросетью
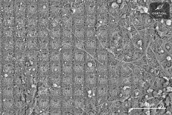
Мельбурнский стартап Cortical Labs получил 400 тыс. долларов в рамках программы спонсирования новых разработок от Национальной разведывательной службы Австралии. Речь идет о развитии проекта «DishBrain», который стал сенсацией в прошлом году. Комбинация клеток мозга человека и грызунов в сочетании с электронным стимулятором стала предвестником появления технологии новой версии искусственного разума.

DishBrain
Австралийских военных заинтересовал потенциал «мозга на чипе», так как он не является ни мозгом, ни чипом. Живая сущность набора клеток позволяет им разрастаться, наращивать свои возможности, развиваться и, в теории, бесконечно совершенствоваться. Они лишены тех ограничений, которые по умолчанию есть в каждом электронном устройстве в силу его конструкции.
В то же время, данная мозговая ткань не является ни органом, ни частью какого-то существа, это лишь набор клеток на подложке, который получает питание и стимуляцию для выполнения разных задач. Они не вырастут в нечто индивидуальное, у них нет ни инстинктов, ни целей, ни задач, ими относительно легко управлять. А так как любая форма жизни подвержена эволюции, австралийские военные надеются ее подстегнуть, заставив «мозг на чипе» развиваться в ускоренном темпе и расти в нечто полезное.

Comments are closed.