Клетки мозга в пробирке обрели подобие разума и научились играть в пинг-понг

Австралийские и британские ученые разработали уникальную технологию по обучению клеток мозга «осознавать» окружающую действительность и реагировать на происходящие события. Система под названием «DishBrain» состоит из 800 000 нейронов человека и мыши, выращенных в пробирке. Это не живое существо и даже не его подобие — у него нет ни разума, ни органов чувств, это просто биомасса. Однако она уже научилась играть в компьютерный пинг-понг.
Клетки мозга DishBrain подключены к электродам, которые могут стимулировать их импульсами с различными параметрами. Также система считывает ответные импульсы, которые интерпретирует как поведение мозговой биомассы. Изначально установка создавалась для изучения процессов развития неврологических аномалий по мере роста клеточной массы мозга. Но затем ученые отметили точность и скорость реакции DishBrain на внешние сигналы и попробовали «обучить» его.

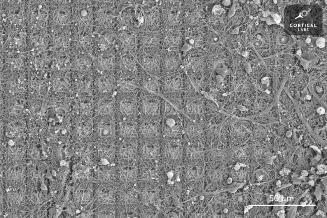
Фото DishBrain, полученное через сканирующий электронный микроскоп
Классическая система обучения на основе поощрения и наказания здесь бесполезна, так как клеточная масса в пробирке не распознает их. Поэтому был применен принцип свободной энергии, согласно которому система стремится существовать в предсказуемой и комфортной среде, чтобы не тратить энергию на адаптацию к меняющимся условиям. Когда биомасса выполняла «правильное» действие, она получала короткий предсказуемый импульс. А когда «неправильное» — ее «наказывали» длительным непредсказуемым и раздражающим сигналом.
Ученые построили модель игры в пинг-понг, в которой система отслеживала перемещение виртуального мячика между двумя ракетками – двумя отдельными колониями клеточной массы. Система передавала клеткам «координаты» мяча, варьируя частоту и длительность сигнальных импульсов. Если клетки в ответ проявляли активность в той части игрового поля, куда прилетал мяч, это считалось успешным действием и вознаграждалось. Используя подобный подход, ученые обучили клеточную массу игре в пинг-понг всего за 5 минут.
В этом эксперименте увлекательно все. И то, как клетки мозга сами быстро научились распознавать сложные и абстрактные для них сигналы и реагировать на них. И то, что ученые выстроили прототип нового интерфейса для непосредственного взаимодействия с клетками мозга. И особенно то, что простая биомасса обрела возможность ощущать внешнюю среду и выполнять задачи, не предусмотренные живой природой.
Comments are closed.